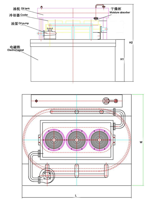
RCDEJ series forced oil circulation cooling eletromagnetic separator applies for following site of transport coal ports, large-scale thermal power plants, coal mines etc and other places requirements of remove iron are particularly high. For hanging above the large conveyor belts, can effectively remove blasting detonator in the coal and other small pieces of iron, for scavenging miscellaneous iron and improve material quality play an important role and can normal work in the dust, moisture, salt spray corrosion of harsh environment. ◆The oil pump drives the transformer oil to circulate. The transformer oil flows through the cooler, which is cooled by its own fan, thus greatly reducing the oil temperature. ◆The core is made of oriented cold-rolled silicon steel sheets with high permeability and high saturation magnetic induction intensity. Its permeability is significantly higher than that of ordinary pure iron, greatly reducing hysteresis losses and improving the stability of the overall magnetic field. ◆The separator has a short magnetic circuit, low magnetic loss, a large magnetic field gradient, strong iron removal capacity, and a high iron removal rate. ◆The separator is lightweight, compact, and has excellent heat dissipation. ◆The excitation coil uses advanced impregnation and curing technology, completely immersed in transformer oil, providing excellent moisture-proof, dust-proof, and corrosion-proof properties, greatly extending the coil's service life. ◆The excitation coil is constructed as a three-dimensional winding, with a large heat dissipation area, a smooth and rational oil circuit, and extremely low temperature rise (≤50℃). Dimension drawing:

Technical parameter table:

|